Хотите установить в гаражном помещении собственную систему отопления? Желаете находиться там в комфортной обстановке, заниматься техническим осмотром и ремонтом в тепле? Безусловно, когда автолюбитель занимается с машиной в обогреваемом гараже, он и ощущает себя несравнимо лучше, и работает быстрее, и добивается больших результатов.
Научимся изготавливать своими руками дымоход для буржуйки в гараже. Ведь если в помещении стоит печка, дымоход для нее крайне важен. Он должен быть качественным, надежным. При этом надо обеспечить герметичность соединений, подумать о безопасности. Подберем необходимые материалы, рассмотрим схемы строительства дымохода, уделим внимание основным этапам монтажа. Также не стоит забывать о правильной эксплуатации, об уходе за дымоходом.


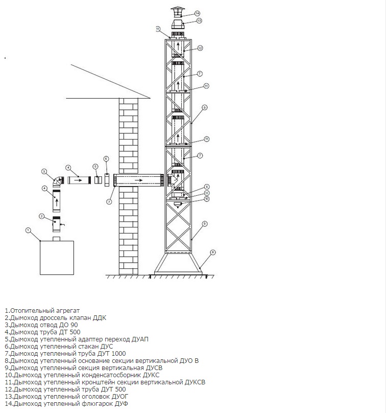
Схема, технология строительства дымохода в гараже
Буржуйка станет лучшим вариантом для отопления гаражного помещения. Конструктивно дымоходы отличаются, но в подавляющем большинстве случаев в них можно выделить два базовых элемента: часть для вывода из помещения дыма и теплообменный сегмент. Если сделать своими руками тепловую часть, эффективность печки резко увеличится.


Также буржуйки принято делить на горизонтальные и вертикальные. Дымоход для буржуйки в гараже будет иметь отличия в зависимости от положения печки.
В вертикальной буржуйке дымоход сделать немного сложнее. Понадобится делать изогнутые каналы, чтобы хорошо выводить дым со всеми продуктами горения на улицу.
В горизонтальных печах делают специальные дымовые камеры. Когда дым попадает в такую камеру, его скорость сразу замедляется. Тепловая энергия при этом идет в помещение, максимально сохраняясь. КПД работы печки растет.


Выбор материала для изготовления дымохода
От грамотного выбора материалов тоже во многом будет зависеть эффективность, долговечность дымохода для печки в гараже. Рассмотрим основные варианты.
Можно выполнить дымоход из кирпича. Однако это дорогостоящий материал. А в процессе монтажа трубы из кирпича могут возникнуть проблемы, поскольку с такими материалами лучше работать профессиональным строителям.
Также используют асбестовые трубы, но этот вариант тоже нельзя назвать оптимальным. Дело в том, что такие трубы имеют чрезмерно низкий температурный порог горения, отличаются дороговизной и громоздкостью, их значительно сложнее монтировать. Кроме того, сажа нередко скапливается и загорается в дымоходе, поскольку трубы внутри шероховатые. Наконец, асбест не отличается долговечностью, так как быстро разрушается из-за негативного воздействия окислов.


Лучшее решение – использовать металлические трубы и элементы. Их удобно обрабатывать, резать и монтировать. Металл обладает отличными эксплуатационными характеристиками, устойчив к износу. Стальные дымоходы отлично выдерживают высокие температуры, практически не засоряются.
Что нужно для монтажа? Простые советы
Вот простая инструкция по установке дымохода для буржуйки в гараже своими руками. Вам понадобятся три колена, чтобы состыковать элементы конструкции, а также тройник и защита для дымоходного отверстия.
Дымоход состоит из внешней и внутренней части, которые соединяются между собой. Чтобы вывести трубу наружу, в потолке вырезают специальное отверстие. Также важно не забыть все швы тщательно обработать герметизирующим составом. Когда есть герметик на потолке в зоне прохождения трубы, его убирают для гарантирования пожарной безопасности. Очень важно позаботиться о нужном уровне тяги. И здесь лучше всего получить консультацию специалиста.


Как обезопасить обеспечить герметичность?
Особенно важно гарантировать соблюдение всех условий для герметичности, если дымоходная труба выводится вертикально вверх. В потолочном покрытии для этого монтируют стакан, а все швы тщательно обрабатывают эффективным герметиком.
Можно использовать битум. Он наносится тонким слоем непосредственно на внешнюю часть дымоходной трубы. Особый защитный зонтик, так называемый «гриб», помогает оградить трубу от влаги, осадков.
Видео: устраняем течь на крыше возле трубы
На крышах возле дымоходных труб появляются течи. Чтобы все было герметично, влага не попадала внутрь гаража, надо грамотно устранить течь. Следующее видео поможет сделать это качественно.
Изготовление дымохода: еще один алгоритм
Вот еще один популярный алгоритм изготовления дымоходной трубы. В первую очередь вам понадобится запастись следующими деталями и материалами.
- Три стыковых колена.
- Тройник с заглушкой (160 мм).
- Два колена 160 на 1200 мм.
- Одно колено с параметрами 100 на 1200 мм.
- Специальный гриб размером 200 мм.
Также нужно иметь при себе качественные материалы для теплоизоляции и герметизации, проходной стакан и козырек от дождя. Чтобы обеспечить герметичность конструкции, можно взять специальный шнур из асбеста или современный герметик с повышенной рабочей температурой.
Монтаж дымохода
Теперь рассмотрим более подробную пошаговую инструкцию монтажа дымохода для гаража. По ней вы сумеете все сделать своими руками, обеспечивая высокий уровень качества.
- В первую очередь надо зафиксировать первый отрезок дымохода. Это делается на дымоходном отверстии.
- Потом идет наращивание колена трубы вплоть до самого уровня перекрытия. Через него труба уже будет выводиться.
- На следующем этапе надо сделать отверстие в перекрытии. Его диаметр составляет минимум 160 мм. Здесь важно помнить о соблюдении требований пожарной безопасности: место, где дымоходная труба проходит через перекрытия, слой теплоизоляции удаляют.
- В отверстие вставляют проходной стакан. Именно через него и пропускают дымоход.
- Потом можно состыковать дымоходную трубу с наружным коленом.
- Затем слой битума наносят на наружную часть дымохода. Битум обязательно теплоизолируют с помощью специального материала, например, минеральной ватой.
- Грибок устанавливается над верхним сегментом дымоходной трубы. Это позволяет предотвратить засорение дымохода, оградить его от попадания мелкого мусора, осадков и посторонних предметов.
Когда монтаж дымохода полностью завершен, можно начинать эксплуатировать буржуйку.
Регулярный уход за дымоходом
Дымоход нуждается в регулярном уходе, эксплуатировать его надо бережно. Тогда он прослужит долго, будет работать без сбоев. В особом внимании нуждается наружная дымоходная труба. Ее обязательно регулярно проверяют: важно выяснить, не появились ли дефекты, например, трещины, коррозия, прогоревшие участки. Такой технический осмотр желательно проводить не реже одного раза на протяжении года, а лучше чаще.
Специалисты отмечают, что трубу также необходимо хотя бы один раз в год тщательно прочищать. Оптимальный вариант – сжечь для этого в топке специальные средства. Они в процессе сжигания эффективно устраняют все продукты сгорания. Есть и проверенный традиционный метод: в печке сжигают несколько поленьев из осины. Они создают более высокую температуру горения, благодаря чему сажа устраняется из трубы.
Запомните важный совет! Дымоход не является цельной, капитальной конструкцией. В связи с этим не стоит применять для его чистки механические инструменты, например, металлические ерши или гири. Нужны более бережные методы.
Простая печка с дымоходной трубой – отличный вариант для создания эффективной тепловой системы в гараже. Главное, построить правильно дымоход, а затем не забывать его проверять и обслуживать.