Для ремонта кузова часто необходимы дорогостоящие материалы. Но деформация деталей не значит, что их нужно заменять. Можно восстановить геометрию кузова, обратившись в мастерскую. Но услуги работников придется оплачивать. А можно создать стапель, и отремонтировать машину самостоятельно. У самодельных стапелей для ремонта кузова огромное количество преимуществ.
Для чего предназначен и принцип работы
Стапель – оборудование, необходимое для исправления погнувшегося кузова легкового автомобиля. Но, в зависимости от вида устройства, ремонтируются и крупногабаритные машины. Его цель – выпрямление и исправление.
Принцип работы в воздействии силы на надежно зафиксированную машину. Для этого используются цепи или другие устройства, которые позволяют вернуть необходимую геометрию кузова.
Виды стапелей и их основные отличия
Всего существует 4 вида конструкции:
- Напольные. Стандартная конструкция на рельсах.
- Подкатные. Небольшие по размеру. Подобные конструкции хранят в гараже или мастерской.
- Рамные. Конструкции на цепях, предназначенные для полноценного ремонта и подъема машины на высоту.
- Платформенные. Предназначены для профессионального ремонта. Подходят для крупногабаритных машин.


Напольные конструкции
Напольный стапель еще называют стационарным. Его отличие в наличии на полу рельс, которые позволяют передвигать механизмы. С их помощью легко осуществить кузовные работы.
Стационарный стапель удобен благодаря выдвижным механизмам.
У напольных конструкций есть 3 преимущества:
- Занимают мало места.
- Стоят дешевле, чем другие стапели.
- Быстрый монтаж транспорта.
Недостаток в сложности монтажа конструкции.


Подкатной
Подкатной стапель – это стапель, который используют для легких работ по ремонту, если нет полноценного стапеля или его использование невозможно по каким-то причинам. Отличие в том, что подкатной стапель небольшой по размеру – не обязательно подкатывать машину к нему. Можно принести подкатной стапель к машине.
У этой конструкции есть преимущества:
- Она настраивается под разные виды машин.
- Возможность оснащения устройства гидравликой.
- У конструкции крепления зажимов нет аналогов.
- Возможность использования с большинством видов машин.
- Компактный размер.
Недостаток в том, что невозможно осуществлять сложные работы, связанные с большими перекосами.


Рамные
Отличительная черта рамных конструкций в использовании рамы в качестве основы. Автомобиль фиксируют цепями. Чаще всего эту конструкцию используют для незначительного ремонта. Но, в то же время, структура рамных стапелей сложнее, чем других. В них монтированы захваты, которые позволяют фиксировать кузов машины в необходимом положении или даже поднимать его на определенную высоту.
Платформенные модели
Платформенная модель очень похожа на эстакадную конструкцию. Она позволяет тянуть кузов машины в любую сторону. На платформе стапеля можно установить много различного оборудования. Делать вытягивание на платформе очень удобно, а функциональности достаточно, чтобы сделать профессиональный ремонт непосредственно в гараже.


Инструменты и материалы для создания конструкции
Нам понадобятся следующие материалы и инструменты:
- Металлические профили.
- Удлиненные профили (нужны для стоек).
- Металлические уголки.
- Сварочный аппарат.
- Болты и гайки.
- Крепежные механизмы.
- Краска и грунтовка.
- Цепи и крюки.
- Гидравлическое оборудование.
- Краскопульт.
- Силовая стойка.


Пошаговая инструкция построения
Постройка любых самодельных конструкций начинается с этапа проектирования. Нужно сделать такой стапель, который удобно использовать. Важно, чтобы он не занимал слишком много места, блокируя свободное перемещение.
Вторым пунктом всегда идет создание каркаса конструкции. Последний пункт – установка креплений и устройств для стягивания своими руками.
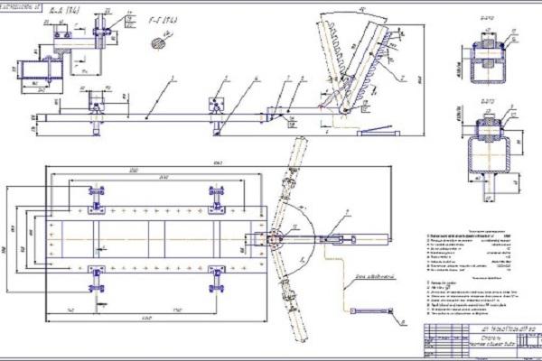
Чертежи и размеры
Сначала нужно сделать подходящие чертежи. Уже готовые варианты можно найти ниже. Разметка делается согласно размерам транспортного средства. После начинается этап приготовления и подбора инструментов и материалов. Также нам понадобится сделать достаточно большую крепежную систему, которая бы подходила для нашего транспорта. Хорошо будет приготовить ее с возможностью смены высоты.
- Как только все чертежи будут готовы, а материалы подобраны, можно приступать к работе. Сначала придется удалить влагу с материалов и покрыть их грунтовкой. Можно покрасить их сразу, а можно оставить этот шаг напоследок.
- Теперь приварить к профилю-основе уголки из металла.
- Приварить профиль (это будет стойкой). Он закрепляется болтами.
- Теперь привариваются цепи, крюки и выдвижные приспособления.


Изготовление рамы
Рама отвечает за фиксацию автомобиля. Поэтому нужно быть внимательным при ее создании.
- Перед созданием рамы необходимо создать наружный каркас. Именно к нему будет монтироваться рама.
- В качестве материала подойдет металлический профиль. На нем крепится стойка и захваты (они нужны для фиксации порога автомобиля).
- Теперь делаются пороги. Они создаются из металлических уголков.
- Пороги устанавливаются на балки, закрепляются болтами.
- После монтажа придется закрепить все элементы сваркой.


Крепление кузова к стапелю
Для крепления нужны зажимные струбцины. Если их невозможно купить, сделайте самостоятельно. Понадобятся железнодорожные площадки (то, чем рельсы крепят к шпалам). Каждая из площадок разрезается пополам, а на внутреннюю часть наваривается металл. Его нарезают на ромбики, используя болгарку.
С наружной частью не нужно ничего делать. Также к внутренней части приваривается пластина – 4 миллиметра в толщину. Она важна, чтобы зажимное устройство фиксировало порог и не сгибалось в процессе использования.


Установка стойки и тянущих устройств
Для стоек и устройств подойдут заводские гидравлические приспособления. Если их невозможно купить, подойдет самодельный механизм. Мощность устройства должна быть от 1 до 2 тонн. Чтобы прикрепить тянущие устройства, нужна накладка. Ее делают из швеллера и устанавливают в каркас стапеля. Чтобы поставить механизм стягивания и цепи в любое место, необходимо проделать отверстия в раме по всему стапелю.
Если стойка сделана самостоятельно, рекомендуется применить башенное устройство. Оно тяжелое, но восстановление машины будет равномерным.
Сделать стапель не так трудно. Если у вас есть базовые знания в строительстве, вы сможете без труда сделать все своими руками. Главное – выбрать правильный материал и сделать правильные чертежи.